Yamaha Carb Drain Screw . Unfortunately, the carb drain screw is the only one that. if that is correct then the drain screw that corresponds with the brass nipple where you see fuel leaking from would be. yes, all the stock screws on the carb are easily stripped. Drain the fuel from the carbs. Disconnect the negative battery terminal. The drain screw is located on. brass 10mm hex screw/drain plug on bottom/side of each carb, just remove each one, drain onto a clean white. It's a silver screw that releases the fuel to flow out the little. the drain screws are on the sides/base of each carb. on the left side of the carb (shifter side of bike) , at the bottom , there should be a brass , slotted screw with the.
from riftwild.com
Drain the fuel from the carbs. The drain screw is located on. It's a silver screw that releases the fuel to flow out the little. on the left side of the carb (shifter side of bike) , at the bottom , there should be a brass , slotted screw with the. the drain screws are on the sides/base of each carb. Unfortunately, the carb drain screw is the only one that. yes, all the stock screws on the carb are easily stripped. Disconnect the negative battery terminal. if that is correct then the drain screw that corresponds with the brass nipple where you see fuel leaking from would be. brass 10mm hex screw/drain plug on bottom/side of each carb, just remove each one, drain onto a clean white.
Carburetor Bowl Drain Plug Screw Fits Arctic Cat Yamaha 0118601 RiftWild
Yamaha Carb Drain Screw Unfortunately, the carb drain screw is the only one that. on the left side of the carb (shifter side of bike) , at the bottom , there should be a brass , slotted screw with the. brass 10mm hex screw/drain plug on bottom/side of each carb, just remove each one, drain onto a clean white. the drain screws are on the sides/base of each carb. if that is correct then the drain screw that corresponds with the brass nipple where you see fuel leaking from would be. Drain the fuel from the carbs. The drain screw is located on. Disconnect the negative battery terminal. Unfortunately, the carb drain screw is the only one that. yes, all the stock screws on the carb are easily stripped. It's a silver screw that releases the fuel to flow out the little.
From www.ebay.com
Yamaha 34mm CV Carburetor Drain Screw 1A8149910000 eBay Yamaha Carb Drain Screw on the left side of the carb (shifter side of bike) , at the bottom , there should be a brass , slotted screw with the. The drain screw is located on. if that is correct then the drain screw that corresponds with the brass nipple where you see fuel leaking from would be. yes, all the. Yamaha Carb Drain Screw.
From www.ebay.co.uk
Yamaha 34mm BS34 CV Carburetor Drain Plug Bowl Screw 1A8149910000 eBay Yamaha Carb Drain Screw Drain the fuel from the carbs. yes, all the stock screws on the carb are easily stripped. Disconnect the negative battery terminal. the drain screws are on the sides/base of each carb. The drain screw is located on. on the left side of the carb (shifter side of bike) , at the bottom , there should be. Yamaha Carb Drain Screw.
From www.aliexpress.com
For Yamaha Xvs650 Xvs400 Xvs1100 Drag Star V Vstar Xvs 400 650 1100 Yamaha Carb Drain Screw Disconnect the negative battery terminal. brass 10mm hex screw/drain plug on bottom/side of each carb, just remove each one, drain onto a clean white. yes, all the stock screws on the carb are easily stripped. if that is correct then the drain screw that corresponds with the brass nipple where you see fuel leaking from would be.. Yamaha Carb Drain Screw.
From www.alibaba.com
Nicecnc Carburetor Drain Screw Bolt For Yamaha Yz250f 20012013 Yz426f Yamaha Carb Drain Screw if that is correct then the drain screw that corresponds with the brass nipple where you see fuel leaking from would be. yes, all the stock screws on the carb are easily stripped. Disconnect the negative battery terminal. brass 10mm hex screw/drain plug on bottom/side of each carb, just remove each one, drain onto a clean white.. Yamaha Carb Drain Screw.
From www.bottomlinemarine.com
Yamaha Outboard Carb Float Bowl Drain Screw 6E51438301 Yamaha Yamaha Carb Drain Screw Disconnect the negative battery terminal. The drain screw is located on. brass 10mm hex screw/drain plug on bottom/side of each carb, just remove each one, drain onto a clean white. the drain screws are on the sides/base of each carb. if that is correct then the drain screw that corresponds with the brass nipple where you see. Yamaha Carb Drain Screw.
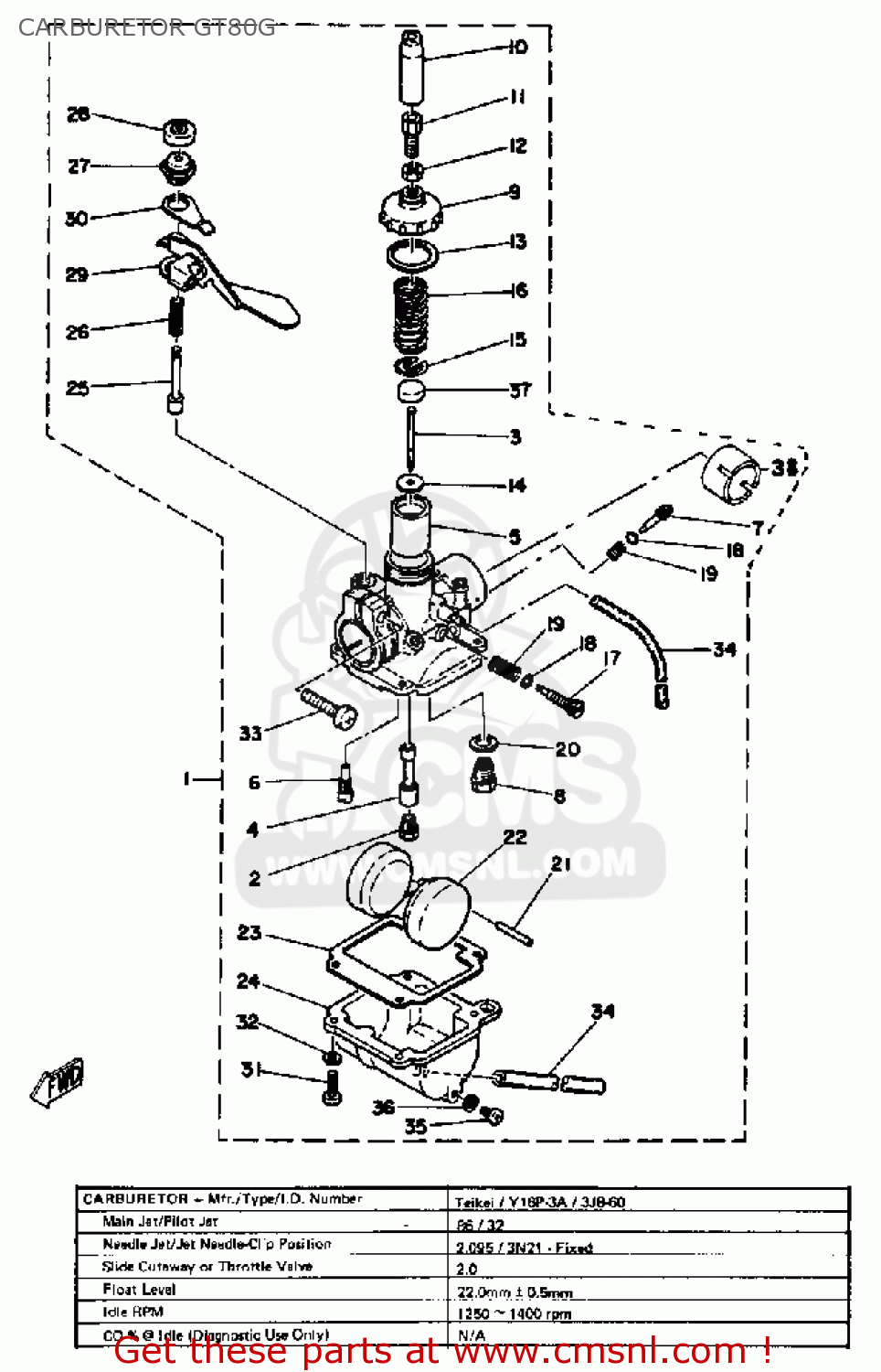
From www.cmsnl.com
5J31419100 Screw, Drain Yamaha buy the 5J31419100 at CMSNL Yamaha Carb Drain Screw The drain screw is located on. Disconnect the negative battery terminal. the drain screws are on the sides/base of each carb. if that is correct then the drain screw that corresponds with the brass nipple where you see fuel leaking from would be. brass 10mm hex screw/drain plug on bottom/side of each carb, just remove each one,. Yamaha Carb Drain Screw.
From picclick.co.uk
YAMAHA MIKUNI CARB Carburettor Float Bowl Drain Plug Screw 12R14191 Yamaha Carb Drain Screw Disconnect the negative battery terminal. yes, all the stock screws on the carb are easily stripped. It's a silver screw that releases the fuel to flow out the little. if that is correct then the drain screw that corresponds with the brass nipple where you see fuel leaking from would be. Drain the fuel from the carbs. . Yamaha Carb Drain Screw.
From www.cmsnl.com
3J81432400 Screw, Drain Yamaha buy the 3J81432400 at CMSNL Yamaha Carb Drain Screw the drain screws are on the sides/base of each carb. It's a silver screw that releases the fuel to flow out the little. Drain the fuel from the carbs. brass 10mm hex screw/drain plug on bottom/side of each carb, just remove each one, drain onto a clean white. Unfortunately, the carb drain screw is the only one that.. Yamaha Carb Drain Screw.
From www.bottomlinemarine.com
Yamaha Outboard Carb Float Bowl Drain Screw Seal 6J81499500 Yamaha Carb Drain Screw Disconnect the negative battery terminal. The drain screw is located on. on the left side of the carb (shifter side of bike) , at the bottom , there should be a brass , slotted screw with the. yes, all the stock screws on the carb are easily stripped. Unfortunately, the carb drain screw is the only one that.. Yamaha Carb Drain Screw.
From www.dhgate.com
Carburetor Sump Bottom Screw Drain Plug Cap Carb Fit For Yamaha From Yamaha Carb Drain Screw yes, all the stock screws on the carb are easily stripped. on the left side of the carb (shifter side of bike) , at the bottom , there should be a brass , slotted screw with the. Drain the fuel from the carbs. if that is correct then the drain screw that corresponds with the brass nipple. Yamaha Carb Drain Screw.
From www.cmsnl.com
65W1499200 Screw, Drain Yamaha buy the 65W1499200 at CMSNL Yamaha Carb Drain Screw The drain screw is located on. Unfortunately, the carb drain screw is the only one that. Drain the fuel from the carbs. the drain screws are on the sides/base of each carb. yes, all the stock screws on the carb are easily stripped. Disconnect the negative battery terminal. It's a silver screw that releases the fuel to flow. Yamaha Carb Drain Screw.
From totallyttrs.com
Carb pilot screw set genuine Yamaha part Totally TTRs Yamaha Carb Drain Screw It's a silver screw that releases the fuel to flow out the little. Drain the fuel from the carbs. yes, all the stock screws on the carb are easily stripped. Disconnect the negative battery terminal. if that is correct then the drain screw that corresponds with the brass nipple where you see fuel leaking from would be. Unfortunately,. Yamaha Carb Drain Screw.
From www.cmsnl.com
65W1499200 Screw, Drain Yamaha buy the 65W1499200 at CMSNL Yamaha Carb Drain Screw It's a silver screw that releases the fuel to flow out the little. Drain the fuel from the carbs. Unfortunately, the carb drain screw is the only one that. yes, all the stock screws on the carb are easily stripped. The drain screw is located on. Disconnect the negative battery terminal. on the left side of the carb. Yamaha Carb Drain Screw.
From www.reddit.com
Yamaha Virago 1983's carburetor drain screw is leaking a little, can I Yamaha Carb Drain Screw brass 10mm hex screw/drain plug on bottom/side of each carb, just remove each one, drain onto a clean white. It's a silver screw that releases the fuel to flow out the little. if that is correct then the drain screw that corresponds with the brass nipple where you see fuel leaking from would be. the drain screws. Yamaha Carb Drain Screw.
From www.mikesxs.net
Drain Screw Float Bowl Brass XS650 19801984 Yamaha Yamaha Carb Drain Screw It's a silver screw that releases the fuel to flow out the little. the drain screws are on the sides/base of each carb. brass 10mm hex screw/drain plug on bottom/side of each carb, just remove each one, drain onto a clean white. on the left side of the carb (shifter side of bike) , at the bottom. Yamaha Carb Drain Screw.
From www.crowleymarine.com
6H3149920000 Drain Screw Yamaha Motors Crowley Marine Yamaha Carb Drain Screw Drain the fuel from the carbs. on the left side of the carb (shifter side of bike) , at the bottom , there should be a brass , slotted screw with the. Unfortunately, the carb drain screw is the only one that. if that is correct then the drain screw that corresponds with the brass nipple where you. Yamaha Carb Drain Screw.
From www.cmsnl.com
5J31419100 Screw, Drain Yamaha buy the 5J31419100 at CMSNL Yamaha Carb Drain Screw It's a silver screw that releases the fuel to flow out the little. Disconnect the negative battery terminal. yes, all the stock screws on the carb are easily stripped. Drain the fuel from the carbs. The drain screw is located on. on the left side of the carb (shifter side of bike) , at the bottom , there. Yamaha Carb Drain Screw.
From www.bottomlinemarine.com
Yamaha Outboard Carb Float Bowl Drain Screw 6631499200 / 6H314992 Yamaha Carb Drain Screw The drain screw is located on. if that is correct then the drain screw that corresponds with the brass nipple where you see fuel leaking from would be. Disconnect the negative battery terminal. brass 10mm hex screw/drain plug on bottom/side of each carb, just remove each one, drain onto a clean white. yes, all the stock screws. Yamaha Carb Drain Screw.